
扫描二维码,使用手机查看。
绝缘试验是高压开关预防性试验项目中非常重要的一项内容,通过观察绝缘情况的演变,可以判断出开关的绝缘性能是否合格,能否继续正常作业。
按照结构特点不同,高压开关可分为多油和稍有断路器、空气断路器、正空断路器、磁吹断路器等,今天讲高压开关的绝缘试验,主要是以空气断路器为例,为大家介绍空气断路器、真空断路器的绝缘试验方法。
空气断路器的绝缘试验与一般的多油、少油断路器的试验方法很相似,先用兆欧表测量断路器的绝缘电阻值,再依次进行介质损耗因数、泄漏电流、耐压性能测试以及导电回路电阻测试,具体步骤详见实例讲解油断路器的绝缘试验测量方法:http://www.whsxdl.com/jingy/1767.html。
真空断路器的绝缘试验也基本上和少油断路器相似,但增加了真空灭弧室真空度的测量。
检查真空断路器灭弧室的真空度一般是对断口做交流耐压试验,如有闲络现象发生,耐压水平下降,说明真空度已下降,需要进行更换。其交流耐压试验标准见表1。
| 额定电压(KV) | 相对低(KV) | 相间(KV) | 端口(KV) |
| 10 | 28 | 28 | 35 |
| 35 | 90 | 90 | 90 |
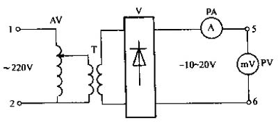
对某一高压开关作导电回路电阻测试(用压降法)。测试的接线如下图所示。

对某一极通100A直流电时,测得直流电压降为9mV,则得出回路电阻:
R=U/I=9×10-3/100A=0.00009Ω= 90μΩ。
通过试品的直流电流一般为100A,故试品的额定电流要大于2×100 A,(如果试品额定电流较小,可以降低试验电流,此电流必须小于开关的额定电流)。
测量时回路绝对不能开路。开关不能分闸,电流线不能脱落(用螺栓紧固在开关的进出线端子上)。
为了保护电压表,测量前用万用表判定开关两端子的﹢、﹣极后再进行测量。
有一台10KV真空断路器,在大修时检查其真空灭弧度真空度,接规定对断口进行35kV的工频交流耐压,耐压时断口间产生闪络,后又降低电压到28kV,还是有闪络现象。直至降到15kV才耐压通过。观察灭弧室内有雾气颜色,触头有氧化现象。决定更换新的灭弧室。分析原因是使用时间长和开断次数过多所致。困此,对真空断路器在投运后2年内应每半年进行一次工频耐压,2年后根据运行情况决定一年一次还是二次。同时加强巡视检查。