
扫描二维码,使用手机查看。
电缆故障的查找与定点工作一直是电测行业的大难题,这主要是因为电缆大多深埋于地下,敷设距离从几米到几公里、几十公里不等,再加上现场环境复杂,除了对电缆故障测试设备的品质要求高之外,对于技术人员的综合素质要求也十分严格。
常见的电缆故障类型有低电阻故障、高电阻短路接地故障、闪络性故障三种,针对不同类型的电缆故障,采用的故障点探测方法也大不相同。三新技术员根据多年的电缆故障查找经验,为大家详细讲解电缆故障点的探测方法。
一、低电阻故障
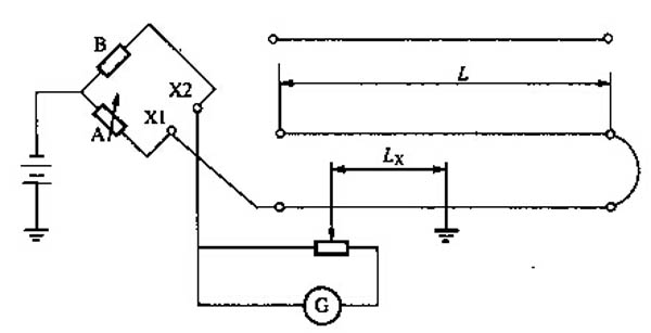
一般可用惠斯登电桥以回线法测到故障点。单相接地故障点用回线法测导接线如图1所示。

单相接地故障测导接线
当故障点接X2时,故障点距离甲端为Lx=A÷(A+B)×2L;
当故障点接X1时,故障点距离甲端为Lx=B÷(A+B)×2L。
其中,A为电桥可变臂读数,单位Ω,B为电桥另一臂读数,单位Ω;L为线路长,单位m;Lx为电缆试验端离故障点距离,单位m。
两相短路时,方法同单相接地,此时将电源正极接在另一根坏的电缆芯上,被测故障相末端与完好相短接构成环线。
三相短路时,应用其他线或临时线作回线,如图2所示。

三相短路接地故障点测导接线
当故障相接于X2时,故障点距甲端为Lx=A÷(A+B+R)×L;
当故障相接于X1时,故障点距甲端为Lx=B÷(A+B+R)×L;
其中R为临时线的单根线电阻,如R≤(A+B)时,可忽略不计。
如无适当电桥,可采用电压降或电流法进行。接线如图3所示。

用电压降法时,故障点距离为Lx=U1÷(U1+U2)×2L。
用电流表法时,故障点距离为Lx=Rx×L÷R=(I2-i1)i2RL÷i1(I1-i2)+i2(I2-i1)其中,RL=Rx+Ry
二、高电阻短路接地故障
基本上也是用回线法,但由于故障电阻大,必须使通过故障电流不能太小。高压电源用整流设备得到。试验时,可用绝缘台,操作分配器合电桥的绝缘杆握手部分均接地,非被试点必须接地,接线图如图4所示。

高电压接地故障测导接线
当故障点接于“0”端时,故障距离为Lx=A÷100×2L;
当故障点接于“100”端时,故障距离为Lx=2L×(1-A÷100)。
其中A为滑线电阻读数。
探测高电阻故障时,可先用直流高压击穿,再通交流烧穿,使其成为低电阻接地,再用低电阻测导法进行测试。
三、闪络性故障
所谓闪络性故障是指击穿后绝缘电阻仍与正常一样的故障。可用下述方法处理:
(1)将故障点用直流电压重复性击穿。使其变为低阻接地,再用交流烧穿变为稳定性低阻接地。
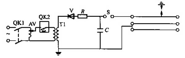
(2)用声测法测导。这是利用电容C充电后经放电球隙S向故障点放电,有较大声音,派人监听各部分的放电声,就能找到故障点,如图5所示。

声测法测导接线图
测导电缆故障点的方法很多,本章仅介绍以上几种,此外,如ST-330电缆故障测试仪、SX-GX地下管线探测仪、SX-2010多脉冲智能电缆故障测试仪等设备在探测电缆故障中得到了较多的应用,读者可以参考有关说明书。