
扫描二维码,使用手机查看。
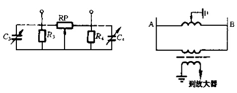
平衡回路低压臂(图3虚线框内所示)元件参数的选择直接影响到测试回路的灵敏度,对于局放高频脉冲来讲,AB两端的入口阻抗相当于一个RLC回路。为了使整个测试范围内,该阻抗的频率特性不变,则应使R在调度过程中呈常量(从RLC人口看)。

因为电感L和电容C基本为恒值,因此,低压臂可调电阻R3、R4。可用一可调电位器 (见图4)则可保证R为恒量,所有的低压臂元件可装在一个小金属盒内,由电缆引到局放仪旁边,见图5。

图5 (a)中,为了使电阻功率选大些,R1、R2用金属膜电阻可用4只1.6kΩ/2W的电阻并联,则实际阻值为400Ω、8W;F为保护间隙;AB引线用10~ 15m长的75Ω高频同轴电缆。图5 (b)中,RP选用2.2kΩ、5w线绕电位器,可调电容C用电容箱外接。高频变压器RT用高频磁环绕制(可用电视机高压包高频磁环代替),一次用φ0.3mm高强度漆色线绕200匝,二次φ0.2~0.3mm线绕400匝。
在试验时,如同时采用环形防晕装置、高压T形低通滤波网络及电桥平衡电路,可便干扰抑制比提高很多。该回路调试较好时,不但在现场测试中抑制比可达400倍,而且T形滤波网络也有5-10倍的抑制效果。因此,对端部及地线串入干扰抑制可达400倍,对电源干扰抑制可达2000倍。
如利用同组设备作为耦合桥臂电容,当两台设备介质损耗值接近时,具有平衡调试方便、试验设备简化、平衡抑制比高等优点。再同时使用滤波、平衡桥路及屏蔽措施后,合成抑制比高,在局部放电仪显示屏上可得到背景干净的图形,低灵敏度可达1pC,有助于对局部放电的判断及定量测试。
该方法在电压互感器和电流互感器测量上使用具有同样的效果,其接线原理图见图5。
