
扫描二维码,使用手机查看。
GKC-D型高压开关综合测试仪,是三新电力针对各种高压开关研制的一种通用型电脑智能化测试仪器。该仪器应用光电脉冲技术、单片计算机技术及可靠的抗电磁辐射技术,配以精确可靠的速度/距离传感器,可用于各种电压等级的真空、六氟化硫、少油、多油等高压开关的机械特性参数的测量。

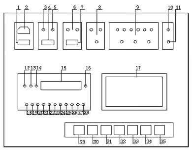
高压开关特性测试仪面板示意图

1、电源开关 19、同相不同期指示灯
2、电源插座 20、合分时间指示灯
3、0.5A保险丝 21、弹跳时间指示灯
4、交直流选择开关 22、刚分合速度指示灯
5、5A保险丝 23、Zui大速度指示灯
6、操作电源外输入 24、平均速度指示灯
7、合分闸先择开关 25、行程指示灯
8、合分闸信号输 26、超程指示灯
9、断口信号输入 27、金短时间指示灯
10、接地柱具 28、无流时间指示灯
11、传感器插座 29、内置电源启动键
12、合闸指示灯 30、操作键
13、分闸指灯 31、数据打印键
14、重合闸指示灯 32、波形打印键
15、数码显示窗 33、曲线打印键
16、电源指示灯 34、数据显示键
17、打印机 35、复位键
18、三相不同期指示灯
高压开关特性测试仪传感器介绍
传感器一套:真空一套

1-传感器滑标 2-传感器主体